Contact Us for a Free Quote Today
If you have any queries, need a quote for one of our products or want some technical advice from one of our engineers, please get in touch and a member of MacScott Bond will respond as soon as possible.
If you are calling from outside of the UK please call +44 131 448 2950
MacScott Bond's head office in Loanhead, near Edinburgh, is located on the same site as our sister company MacTaggart Scott & Co. Ltd.
We look forward to hearing from you.
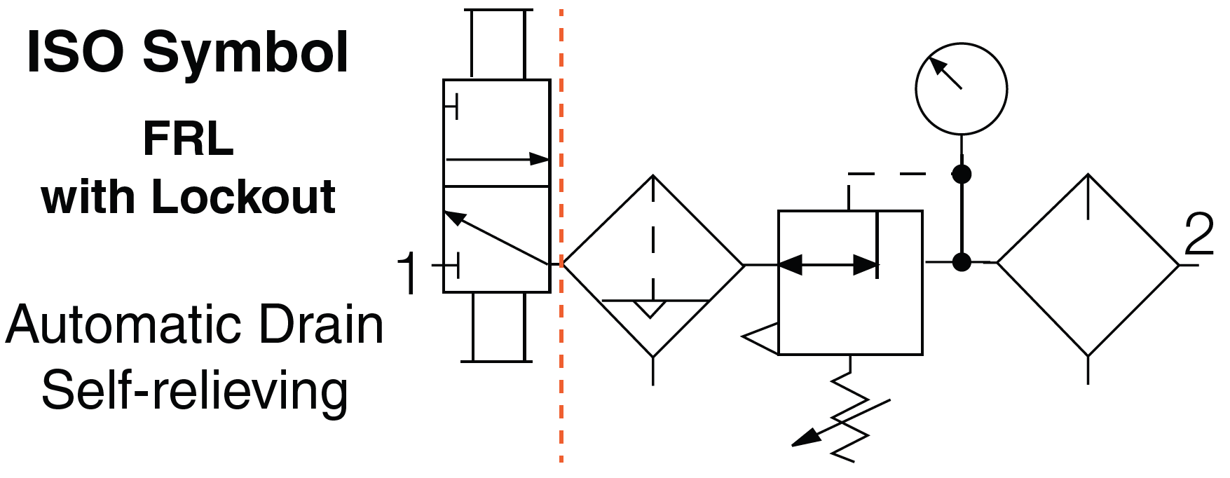
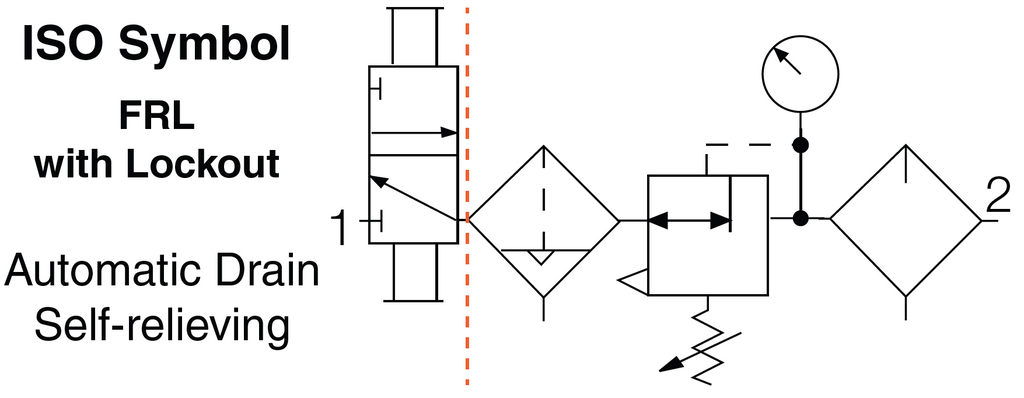
Recently viewed
Still not sure? Reach out for expert help on products
If you have any queries, need a quote for one of our products or want some technical advice from one of our engineers, please get in touch and a member of MacScott Bond will assist.
Our History
Founded in 1973, MacScott Bond Ltd has worked for 50 years, ensuring we play our part in providing the engineering excellence expected from being part of the MacTaggart Scott Group. With a rich heritage dating back to 1898, MacTaggart Scott is a trusted name in Scottish engineering, and MacScott Bond proudly upholds this legacy.
The company's commitment to delivering quality fluid power systems is evident through our portfolio of previous projects. MacScott Bond’s designs have stood the test of time and the quality of our construction of bespoke fluid power systems has always been a priority for our company.
From analysing initial requirements, intelligent design and through rigorous testing processes, the company ensures the creation of high-quality systems tailored to the specific needs of diverse sectors, including marine defense, civil, offshore, mining, and industrial.















